aeronauticaagricolturaarrow-buttonarrow-nextarrow-prevarrow-rightarrow-to-bottomautomotivebarsbook-infobook-openbook-pricebook-productscleaningdedkdownloadediliziaenvelopeesfacebookfas-checkfas-timesfifrgbglobegrindustria-chimicaindustriainfoitlinkedinlocklogo-no-payofflogo-payoff-bottomlubrificazionemap-marker-altmarkerminieranavalenlnophoneplayptrusesearchsign-out-altsocial-facebooksocial-instagramsocial-linkedinsocial-pinterestsocial-telegramsocial-twittersocial-wechatsocial-whatsappsocial-xsocial-youtubetrasporti-ferroviaritrasportitwitterusa-flaguser-circlewindowyoutube
8537.205

P/N 8537.205

Fixed hose reel in AISI 304 stainless steel s. 530, for AdBlue®, 10 bar, EPDM antistatic hose 15 m, ø 19x27 mm. Flow path in AISI 316 stainless steel

Features

Pressure 10 bar
Compatible fluids AdBlue®
Swivel joint AISI 304 stainless steel
Seals Viton®
Characteristic fixed
Material AISI 316 stainless steel
Couplings AISI 316 stainless steel
Hose p/n 967.215
ø and hose length ø 3/4" - 15 m
Inlet G 3/4" (f)
Outlet G 3/4" (m)
Reel flow path AISI 316 stainless steel

Certifications

8537.205

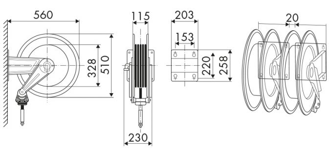
Overall dimensions (mm)

8537.205

This product is also available without hose

Go to product sheet