aeronauticaagricolturaarrow-buttonarrow-nextarrow-prevarrow-rightarrow-to-bottomautomotivebarsbook-infobook-openbook-pricebook-productscleaningdedkdownloadediliziaenvelopeesfacebookfas-checkfas-timesfifrgbglobegrindustria-chimicaindustriainfoitlinkedinlocklogo-no-payofflogo-payoff-bottomlubrificazionemap-marker-altmarkerminieranavalenlnophoneplayptrusesearchsign-out-altsocial-facebooksocial-instagramsocial-linkedinsocial-pinterestsocial-telegramsocial-twittersocial-wechatsocial-whatsappsocial-xsocial-youtubetrasporti-ferroviaritrasportitwitterusa-flaguser-circlewindowyoutube
8434.300

P/N 8434.300

Fixed hose reel in AISI 304 stainless steel s. 430, for hot water, 200 bar, without hose. Inlet G 3/8 (f), outlet G 1/2 (f)

Features

Pressure 200 bar
Compatible fluids water max 130 °C
Swivel joint AISI 304 stainless steel
Seals Viton®
Characteristic fixed
Material AISI 304 stainless steel
Couplings -
Hose -
ø and hose length -
Inlet G 3/8" (f)
Outlet G 1/2" (f)
Reel flow path AISI 304 stainless steel

Certifications

8434.300

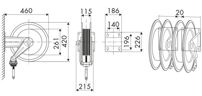
Overall dimensions (mm)

8434.300

Hose reels capacity

ø 5/16" ø 3/8" ø 1/2"
20 m 20 m 16 m